manual book daewoo excavator Daewoo doosan dx85 r 3 mini crawler excavator service repair manual
If you are looking for Doosan Daewoo Excavator DX340LC Manual PDF Download you've came to the right place. We have 17 Pics about Doosan Daewoo Excavator DX340LC Manual PDF Download like DAEWOO MEGA 250-V EXCAVATOR OPERATION & MAINTENANCE MANUAL BOOK S/N, Doosan Daewoo Excavator DX340LC Manual PDF Download and also Daewoo doosan dx420 lc excavator service repair manual sn:5001 and up. Read more:
Doosan Daewoo Excavator DX340LC Manual PDF Download

manual daewoo doosan excavator pdf operation maintenance
Daewoo Doosan Dx420 Lc Excavator Service Repair Manual Sn:5001 And Up

doosan dx420 excavator daewoo manual
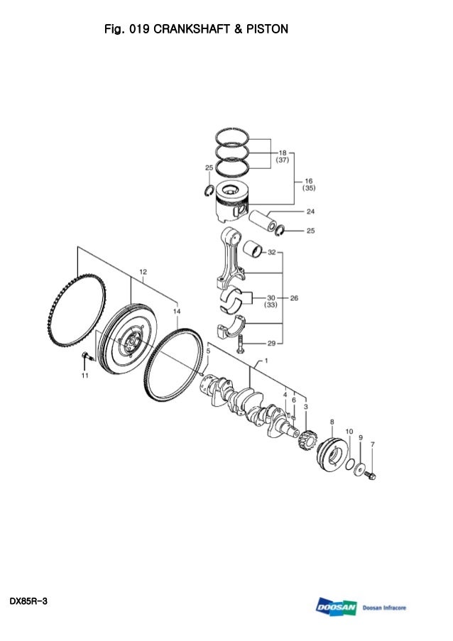
Daewoo Doosan Dx85 R 3 Mini Crawler Excavator Service Repair Manual

doosan daewoo dx85
Daewoo Doosan DX300LC Excavator Parts Book

dx300lc doosan daewoo
Komatsu PC150-5 Hydraulic Excavator Shop Manual SN 6001 And Up - PDF

komatsu pc150 heydownloads
������ Doosan Daewoo Excavator V Series Electrical Schematic Service Manual

daewoo doosan excavator 225lc manual service solar workshop repair series parts schematic electrical pdf operating tradebit článok prevzatý
TAKEUCHI TB025 Compact Excavator Parts Manual - PDF DOWNLOAD

takeuchi tb025 heydownloads
Daewoo Doosan Dx420 Lc Excavator Service Repair Manual Sn:5001 And Up

daewoo doosan dx420
Case 9030b Excavator Operators Owner Instruction Manual – Crawler

case excavator manual operators instruction owner workshop repair service 9030b excavators
Daewoo Doosan Dx420 Lc Excavator Service Repair Manual Sn:5001 And Up

doosan daewoo dx420
DAEWOO MEGA 250-V EXCAVATOR OPERATION & MAINTENANCE MANUAL BOOK S/N

excavator daewoo 1001 operation mega maintenance manual
DAEWOO DOOSAN SOLAR 290LC-V EXCAVATOR Service Repair Manual

doosan daewoo
Daewoo Doosan Dx480 Lc Excavator Service Repair Manual

dx480 daewoo doosan
Daewoo Doosan Dx170w Wheeled Excavator Service Parts Catalogue Manual

doosan daewoo wheeled excavator catalogue manual parts service
Daewoo Excavator Undercarriage Parts | Pivot Equipment Parts

daewoo doosan undercarriage excavator parts
DOOSAN DAEWOO EXCAVATOR PARTS
Cheap Excavator For Sale, Find Excavator For Sale Deals On Line At

excavator daewoo doosan deals cheap gnition terex f900 keyman bobcat keys pair key equipment number
Daewoo doosan dx420. Daewoo doosan undercarriage excavator parts. Daewoo doosan dx170w wheeled excavator service parts catalogue manual
Komentar
Posting Komentar